
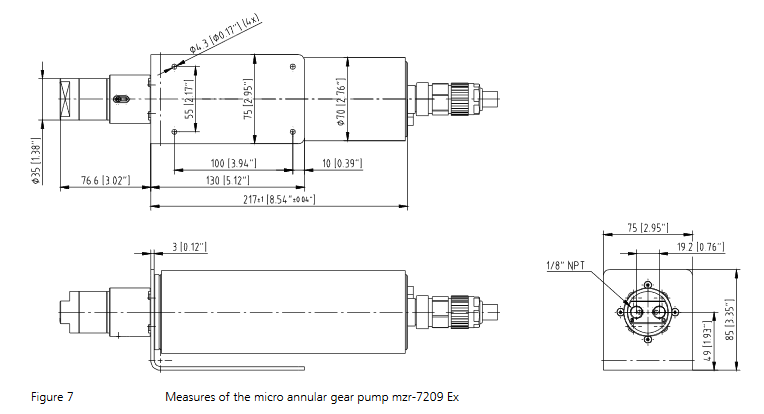
從(cong) 德國HNPM公司進口的防爆型微量輸注泵mzr-7209EX,其具有流量範圍是0.048 - 225毫升/分鍾,結構設計緊湊,粘度範圍廣泛,而且設備尺寸小,並且使用壽命長等優(you) 點,適合於(yu) 連續輸送和離散的劑量的水狀溶液,溶劑,油和其它粘性液體(ti) 。

該微量輸注泵的接液部分是有不鏽鋼碳化鎢鎳基製成,直流電動機,電纜長度是10mm,重量約2700 g,采用耐磨陶瓷組件,不僅(jin) 微量輸送精度高,而且使用壽命長。
環境溫度範圍:0 ... +40 °C
流量:0.048 – 225 ml/min
粘度範圍:0.3 – 5,000 mPas
精密度 :CV < 1 %
轉速範圍:1 – 4700 rpm
盡可能大峰值電流:2000 mA
盡可能大連續電流:1800 mA
盡可能大加速度:550 U/s²

1、 作員必須確保所有的維護、檢查和裝配都是通過授權和合格的。
2、 必須明確地觀察到手動關(guan) 閉泵的指示。
3、危害健康的輸送液體(ti) 泵或集料必須清理幹淨。操作完成後,所有安全防護設備必須重新安裝和重新啟動。
4、在重新啟動操作之前,必須觀察到在初始啟動部分(見第7節)中所列出的點。
1、化學加工
2、工業(ye) 工程與(yu) 設備工程
3、包裝
4、醫藥行業(ye)
5、小型工廠的技術
6、噴塗技術
7、膠黏劑配製
8、油墨與(yu) 塗料的用量
9、真空應用
想了解更多"微量輸注泵"的信息,可通過或電話谘詢