
德國進口的MZR-4609EX防爆型齒輪泵適用於(yu) 易燃易爆等潛在爆炸危險性的驅動器和場所,符合ATEX防爆認證,更加精密安全。
mzr-4609EX防爆型齒輪泵是屬於(yu) 德國進口HNPM品牌高精度泵產(chan) 品,不僅(jin) 符合ATEX防爆認證,而且具有廣泛的粘度範圍,使用範圍廣,壽命長。

1、ATEX防爆認證:符合歐盟指令 94/9/EEC
2、廣泛的粘度範圍:0.3 – 5,000 mPas,適合於(yu) 連續輸送和離散的劑量的水狀溶液,溶劑,油和其它粘性液體(ti) 。
3、使用壽命長:采用耐磨陶瓷組件,耐用持久。
4、低脈動輸送, 低剪切應力:旋轉式微型環形齒輪技術
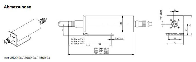
5、緊湊小尺寸:長度 < 295 mm, 包括防爆電機
mzr-4609EX防爆型齒輪泵配備具有防爆認證、可用於(yu) 有潛在爆炸危險性的驅動器,安全可靠,應用領域非常廣泛,包括化學加工、工業(ye) 工程與(yu) 設備工程、包裝、醫藥行業(ye) 、小型工廠的技術、噴塗技術、膠黏劑配製、油墨與(yu) 塗料的用量、真空應用等。
隔熱模塊:泵頭和驅動器的熱耦

流體(ti) 密封組件:與(yu) 空氣或濕氣接觸的敏感輸出液體(ti)

雙殼加熱模塊:泵頭在-20°C至150°C的範圍內(nei) 加熱流體(ti)

S-HD-KL 可編程控製器:適用於(yu) 工業(ye) 生產(chan) 和工藝技術



想了解更多"mzr-4609EX防爆型齒輪泵"的信息,可通過或電話谘詢