

Coatmaster PVD塗層測厚係統可在產(chan) 線前端進行塗層厚度的檢測並及時調整偏差。可有效的減少次品率和返工率。
PVD塗層技術可用於(yu) 合金鋼、高速鋼、碳化鎢、鈹銅等材料。具有高品質,重複性、可靠性高及保養(yang) 容易等特點。
傳(chuan) 統PVD塗層測厚技術由於(yu) 采用的大多是破壞性塗層測厚技術,測量過的工件往往無法使用。也無法實現在產(chan) 線端的實時檢測和連續檢測。Coatmaster PVD塗層測厚係統可在產(chan) 線前端進行塗層厚度的檢測並及時調整偏差。可有效的減少次品率和返工率。
對塗層成分不敏感,也適用於(yu) 潤滑劑、聚合物塗層、粉末塗料、熱噴塗塗層等的膜厚檢測。
Coatmaster 塗層測厚係統可檢測各種基材上麵的塗層厚度,例如:金屬、塑料、橡膠、玻璃、陶瓷等。解決(jue) 了傳(chuan) 統測厚技術無法測量特定底材的問題。
Coatmaster PVD塗層測厚係統對於(yu) 塗層本身的顏色並不敏感,可精確測量各種顏色的塗層,而無需等待塗層完全幹透。
Coatmaster PVD塗層測厚係統可集成在生產(chan) 線,實現產(chan) 線前端的連續檢測,並連續性的記錄測量數據。可通過PLC編程與(yu) 控製係統實現集成。
傳(chuan) 統測厚技術容易受到特定工件表麵形狀的限製,內(nei) 壁、角落、部件等的塗層厚度測量往往會(hui) 遇到很多困難。 Coatmaster PVD 塗層測厚係統采用光熱學測厚技術,對於(yu) 複雜的工件表麵同樣適用,包括柔軟甚至是粗糙的工件表麵。
CoatmasterPVD塗層測厚係統能高精度測量粉末塗層零件在烘幹前的塗層厚度。這樣就能在產(chan) 線早期解決(jue) 質量和生產(chan) 問題,有效避免昂貴且複雜的返工。這不僅(jin) 能節省材料成本,也能減少有缺陷的塗層零件的生產(chan) 數量。這使Coatmaster PVD塗層測厚係統以微米級精度測量膜厚成為(wei) 工業(ye) 上新的質量標準。

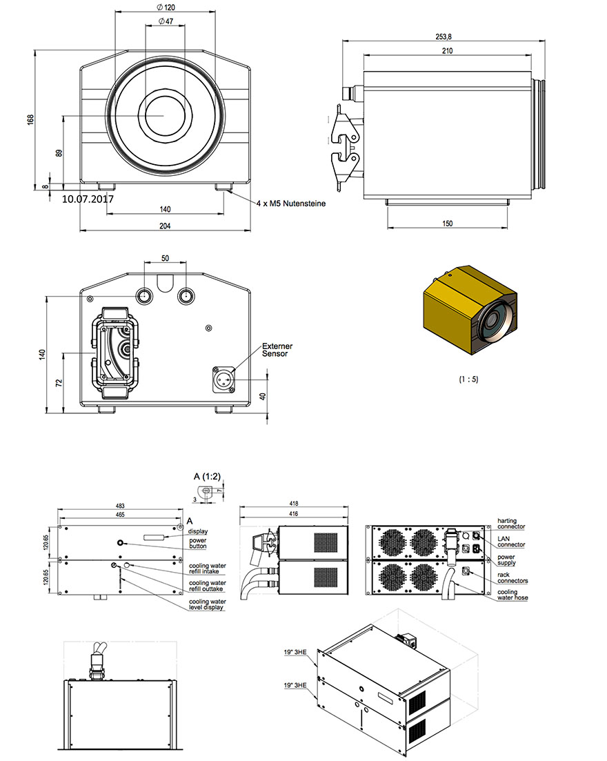
Coatmaster PVD塗層測厚係統利用光線對塗層進行短暫加熱,利用紅外線傳(chuan) 感器對表麵溫度進行非接觸式測量。通過獨有專(zhuan) 利的算法分析產(chan) 品表麵溫度的動態變化過程確定塗層厚度及其它特性,精確測量,重複性好.可以檢測各種不同形狀和尺寸的產(chan) 品,可以在任何生產(chan) 環境下使用
| m1 | m2 | m3 | m4 | |
| 測量距離 | 5~30cm | 5~50cm | 5~80cm | 5~120cm |
| 測量點 | Φ2-20mm | |||
| 測量時間 | 20-1000ms | |||
| 工件移動速度 | 50 m /min | |||
| 誤差 | < 4% | < 2% | < 1% | < 0.5% |
| 測量範圍 | 1-1000μm | |||
| 標準偏差: | <3% | |||
| 持續時間: | 0.1 – 1 s | |||
| 物體最大移動速度: | 60 m/min | |||
| 功耗: | <2000 W | |||

想了解更多"PVD塗層測厚係統"的信息,可通過或電話谘詢